XHZ型稀油潤滑裝置
| 一、使用條件 | |||||||||||||||||||||||||||||||||||||||||||||||||||||||||||||||||||||||||||||||||||||||||||||||||||||||||||||||||||||||||||||||||||||||||||||||||||||||||||||||||||||||||||||||||||||||||||||||||||||||||||||||||||||||||||||||||||||||||||||||||||||||||||||
| 本產品適用于冶金、重型、礦山等機械設備單配稀油循環潤滑系統中,其工作介質粘度等級為N22-N460(相當于ISO VG22-460)的工業潤滑油,冷卻裝置采用列管式油冷卻器。 稀油潤滑裝置的公稱供油壓力為0.63MPa;過濾精度低粘度時為0.08mm;高粘度時為0.12mm;冷卻水溫度≤30℃;冷卻水壓力<0.4MPa;冷卻器的進油溫度為50℃時,潤滑油的溫降≥8℃,蒸汽壓力為0.2-0.4MPa;泵口壓力應大于0.63MPa。 XHZ-6.3~XHZ-125的小型稀油潤滑裝置為整體出廠;XHZ-160~XHZ-500的中型稀油潤滑裝置為分部件包裝出廠;XHZ-630~2000及XHZ-630A~2000A(帶壓力罐加“A”)的大型稀油潤滑裝置為散件成套供貨,現場焊接組裝。 |
![]() | ||||||||||||||||||||||||||||||||||||||||||||||||||||||||||||||||||||||||||||||||||||||||||||||||||||||||||||||||||||||||||||||||||||||||||||||||||||||||||||||||||||||||||||||||||||||||||||||||||||||||||||||||||||||||||||||||||||||||||||||||||||||||||||
| 二、工作原理 | |||||||||||||||||||||||||||||||||||||||||||||||||||||||||||||||||||||||||||||||||||||||||||||||||||||||||||||||||||||||||||||||||||||||||||||||||||||||||||||||||||||||||||||||||||||||||||||||||||||||||||||||||||||||||||||||||||||||||||||||||||||||||||||
| 本稀油潤滑裝置的工作原理如下: 油液由油泵排出經單向閥、截止閥、雙筒網式過濾器及油冷卻器后被直接送往潤滑點,然后沿著系統的回油總管經回油過濾流回油箱。泵的公稱壓力為0.63MPa(即泵的最大出口壓力),稀油潤滑裝置的供油壓力為0.5MPa(即出油口壓力)。設有壓力罐的稀油潤滑裝置,其氣源壓力為0.5~0.6MPa。 正常操作時,一臺齒輪泵工作,一臺備用,通過轉換開關來控制使之交替使用,通過按鈕開關啟動和停止。泵的輸出端配有安全閥,用以避免油泵過截,此閥設定的開啟壓力為0.63MPa。系統的壓力由壓力開關控制,當系統壓力達到正常調定值時,主機方可啟動,當系統壓力低于某一調定值時,備用泵自動啟動,直到壓力恢復正常為止。如系統壓力繼續降低,低于最低調定值時,發出低壓事故報警信號,責令主機停車排除故障。 | |||||||||||||||||||||||||||||||||||||||||||||||||||||||||||||||||||||||||||||||||||||||||||||||||||||||||||||||||||||||||||||||||||||||||||||||||||||||||||||||||||||||||||||||||||||||||||||||||||||||||||||||||||||||||||||||||||||||||||||||||||||||||||||
| 三、結構特點 | |||||||||||||||||||||||||||||||||||||||||||||||||||||||||||||||||||||||||||||||||||||||||||||||||||||||||||||||||||||||||||||||||||||||||||||||||||||||||||||||||||||||||||||||||||||||||||||||||||||||||||||||||||||||||||||||||||||||||||||||||||||||||||||
| 1、在雙筒過濾器上裝有差壓訊號器,當過濾器進出口壓差超過0.10~0.15MPa 時,差壓訊號器發出報警信號,用來通知切換工作濾網筒,以便清洗或更換濾網(此裝置設計在冷卻器裝置之前;油粘度較高者更適合)。 2、在冷卻器的進水口裝有一個直讀式溫度計和電磁水閥,用來觀察進水溫度和控制冷卻水的通或斷。在系統的出油口處,裝有一個電接點、溫度計和溫度控制器,用于控制工作油溫;當出口油溫高于某一調定的溫度時,電磁水閥自動開啟,冷卻器投入工作,直到油溫恢復正常為止。如冷卻器已投入工作,系統的油溫繼續上升,達到最高溫度時,溫度控制器發出油溫過熱報警信號。當冷卻器需要更換或維修時,可關閉冷卻器的進出口閥門,打開旁路閥門,油液即不經冷卻器直接送往潤滑點。 3、在油箱上裝有二個電接點溫度計和二個液位開關,當油箱油溫低于某一調定溫度時,電加熱器通電或蒸汽閥門開啟,對油液進行加熱,直到達到正常操作油溫為止。當油箱中油液的溫度低于最低調定溫度時,油泵不能啟動,需對油箱中油液加熱。當油箱的液位達到上限或下限時,液位開關發出報警信號。 4、型號后帶“A”者為有壓力罐的裝置,可滿足發生意外事故或突然停電時,儲存在壓力罐中的油液可作臨時壓力油源向系統短時供油,但需注意壓力罐上的一般單向閥應水平安裝,不得向下安裝(對較小的旋啟式單向閥允許向上安裝),附圖中應作相應改變。 5、配有電控柜和儀表盤,觀察運行參數方便,可實現自動控制和事故報警。 | |||||||||||||||||||||||||||||||||||||||||||||||||||||||||||||||||||||||||||||||||||||||||||||||||||||||||||||||||||||||||||||||||||||||||||||||||||||||||||||||||||||||||||||||||||||||||||||||||||||||||||||||||||||||||||||||||||||||||||||||||||||||||||||
| 四、技術參數 | |||||||||||||||||||||||||||||||||||||||||||||||||||||||||||||||||||||||||||||||||||||||||||||||||||||||||||||||||||||||||||||||||||||||||||||||||||||||||||||||||||||||||||||||||||||||||||||||||||||||||||||||||||||||||||||||||||||||||||||||||||||||||||||
| |||||||||||||||||||||||||||||||||||||||||||||||||||||||||||||||||||||||||||||||||||||||||||||||||||||||||||||||||||||||||||||||||||||||||||||||||||||||||||||||||||||||||||||||||||||||||||||||||||||||||||||||||||||||||||||||||||||||||||||||||||||||||||||
| 注:1、A 為帶壓力罐的稀油潤滑裝置,呈正方形布置。 2、斜齒輪油泵為4 極電機;人字齒輪油泵為6 極電機;極數也根據介質粘度確定,粘度高時宜選低速。 3、如冷卻水質采用江河水,需經過濾沉淀,水溫不應超過32℃。 | |||||||||||||||||||||||||||||||||||||||||||||||||||||||||||||||||||||||||||||||||||||||||||||||||||||||||||||||||||||||||||||||||||||||||||||||||||||||||||||||||||||||||||||||||||||||||||||||||||||||||||||||||||||||||||||||||||||||||||||||||||||||||||||
| 五、結構尺寸 | |||||||||||||||||||||||||||||||||||||||||||||||||||||||||||||||||||||||||||||||||||||||||||||||||||||||||||||||||||||||||||||||||||||||||||||||||||||||||||||||||||||||||||||||||||||||||||||||||||||||||||||||||||||||||||||||||||||||||||||||||||||||||||||
![]() | |||||||||||||||||||||||||||||||||||||||||||||||||||||||||||||||||||||||||||||||||||||||||||||||||||||||||||||||||||||||||||||||||||||||||||||||||||||||||||||||||||||||||||||||||||||||||||||||||||||||||||||||||||||||||||||||||||||||||||||||||||||||||||||
![]() | |||||||||||||||||||||||||||||||||||||||||||||||||||||||||||||||||||||||||||||||||||||||||||||||||||||||||||||||||||||||||||||||||||||||||||||||||||||||||||||||||||||||||||||||||||||||||||||||||||||||||||||||||||||||||||||||||||||||||||||||||||||||||||||
|
| ||||||||||||||||||||||||||||||||||||||||||||||||||||||||||||||||||||||
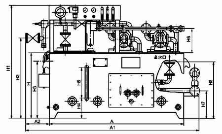
| XHZ-6.3~XHZ-125型外形尺寸 | ||||||||||||||||||||||||||||||||||||||||||||||||||||||||||||||||||||||
| ||||||||||||||||||||||||||||||||||||||||||||||||||||||||||||||||||||||
| ||||||||||||||||||||||||||||||||||||||||||||||||||||||||||||||||||||||
| 1、回油口法蘭連接尺寸按JB/T81《凸面板式平焊接鋼制管法蘭》(PN=1MPa)的規定。 2、上列稀油潤滑裝置均無地腳螺栓孔。 | ||||||||||||||||||||||||||||||||||||||||||||||||||||||||||||||||||||||
![]() | ||||||||||||||||||||||||||||||||||||||||||||||||||||||||||||||||||||||
![]() | ||||||||||||||||||||||||||||||||||||||||||||||||||||||||||||||||||||||
|
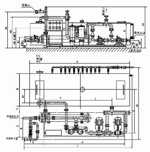
圖1-2-3 XHZ-160~XHZ-500 型外形圖 | ||||||||||||||||||||||||||||||||||||||||||||||||||||||||||||||||||||||
| 六、外形尺寸 | ||||||||||||||||||||||||||||||||||||||||||||||||||||||||||||||||||||||
| ||||||||||||||||||||||||||||||||||||||||||||||||||||||||||||||||||||||
| ||||||||||||||||||||||||||||||||||||||||||||||||||||||||||||||||||||||
![]() | ||||||||||||||||||||||||||||||||||||||||||||||||||||||||||||||||||||||
|
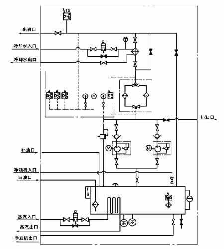
圖1-2-4 XHZ-160~XHZ-500 原理圖 | ||||||||||||||||||||||||||||||||||||||||||||||||||||||||||||||||||||||
![]() | ||||||||||||||||||||||||||||||||||||||||||||||||||||||||||||||||||||||
|
圖1-2-5 XHZ-160~XHZ-500 地基尺寸圖 | ||||||||||||||||||||||||||||||||||||||||||||||||||||||||||||||||||||||
上一個:暫無 下一個: SHXYZ-630L稀油站







